Scheme
 |
The
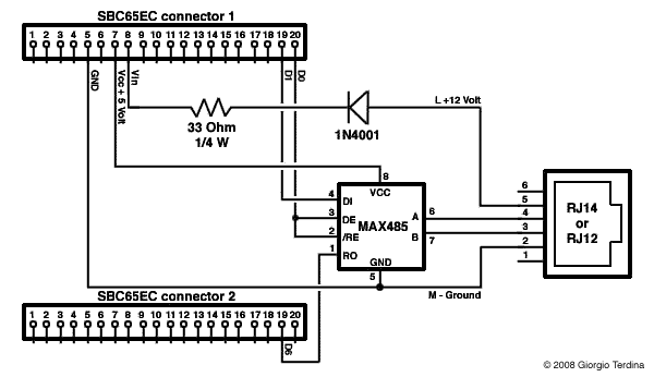
SBC65EC board is the "engine" of the XnTcp interface. It provides the Ethernet port and the serial port, as well as the microprocessor and the memory needed. |
The electronic scheme of the interface is thus rather simple.
- Connectors 1 and 2 plug into the SBC65EC board.
- The diode and the resistor are used to draw the necessary power from the 12 Volts available on the XpressNET bus. They can be omitted if an external power supply is used.
- The MAX485 transceiver converts signals from logical level (0/+5 Volt) to the level required by XpressNET (differential -7/+12 Volts) and viceversa.
- The RJ-14 jack (phone modular connector, 6 positions, 4 contacts) provides the physical connection with the XpressNET bus. The RJ-14 can be replaced by a RJ-12 (6 positions, 6 contacts), omitting to connect the two external pins.
XpressNET is a trademark of
Lenz Electronik, Gmbh